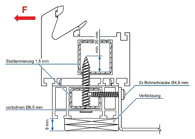
4. Befestigung von Anschlussprofilen
4.1. EL-Anker mit VBW - Kunststofffenster mit Fensterbankanschlussprofil
Fenstersystem
Kunststoff mit Stahlarmierung,
Fensterbankanschlussprofil mit Stahlarmierung
Befestigungssystem
EL-Anker - U-Profil + Verbindungswinkel
Verbindung
1x Fenstermontageschraube SK Ø7,5 mm
durch das Anschlussprofil in den Fensterrahmen
2x Bohrschraube Ø4,8 mm in das
Fensterbankanschlussprofil
2x Bohrschraube Ø4,8 mm vom Verbindungswinkel
in den EL-Anker
Prüfbericht ift Rosenheim
18-003796-PR06 PB-K26-09-de-01
4.2. FMS-Anker - Kunststofffenster mit Fensterbankanschlussprofil
Fenstersystem
Kunststoff mit Stahlarmierung,
Anschlussprofil ohne Stahlarmierung
Befestigungssystem
FMS-Anker - Flachstahl
FMS-Anker - U-Profil
Verbindung
FMS-Anker-Schraube in eine Wandung der Stahlarmierung
Prüfbericht ift Rosenheim
23-001006-PR04 NW-K26-09-de-01
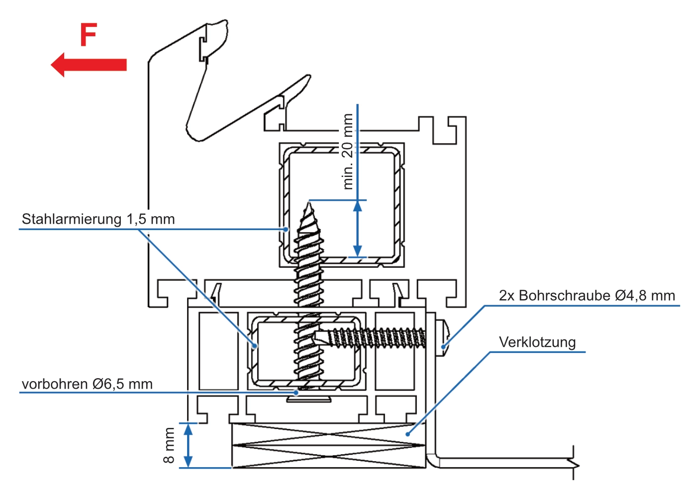
4.3. FMW-Flachstahl - unten - Kunststofffenster mit Fensterbankanschlussprofil
Fenstersystem
Kunststoff mit Stahlarmierung,
Fensterbankanschlussprofil mit Stahlarmierung
Befestigungssystem
FMW-Flachstahl - unten
Verbindung
1x Fenstermontageschraube SK Ø7,5 mm
durch das Anschlussprofil in den Fensterrahmen
2x Bohrschraube Ø4,8 mm in das
Fensterbankanschlussprofil
Prüfbericht ift Rosenheim
18-003796-PR06 PB-K26-09-de-01
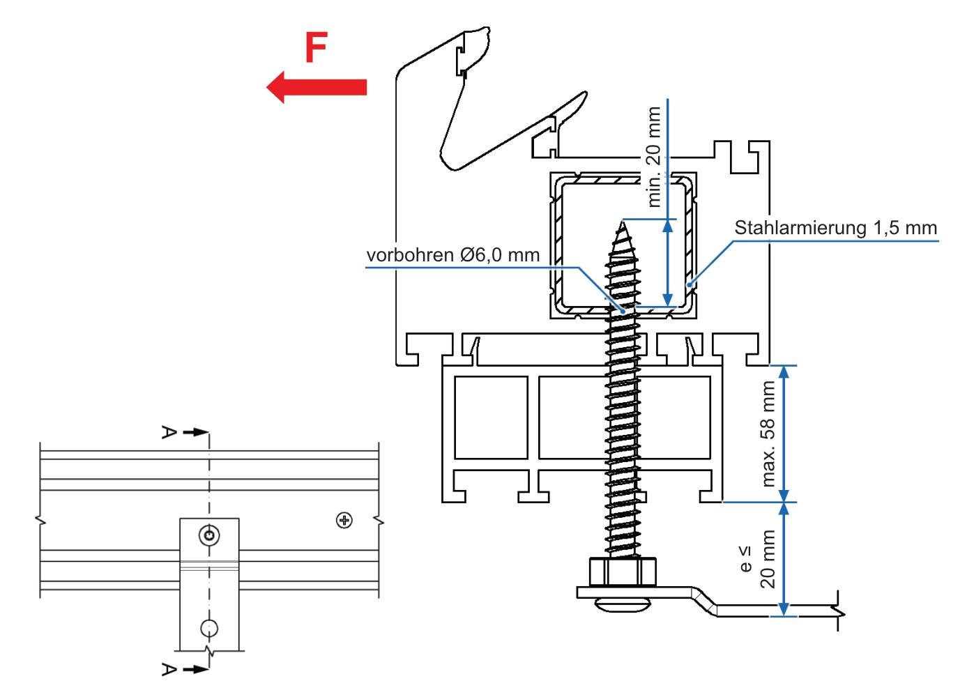
4.4. Flach-U-Profil-FMW - Kunststofffenster mit Fensterbankanschlussprofil
Fenstersystem
Kunststoff mit Stahlarmierung,
Fensterbankanschlussprofil mit Stahlarmierung
Befestigungssystem
Flach-U-Profil-FMW
Verbindung
1x Fenstermontageschraube SK Ø7,5 mm
durch das Anschlussprofil in den Fensterrahmen
2x Bohrschraube Ø4,8 mm in das
Fensterbankanschlussprofil
Prüfbericht ift Rosenheim
18-003796-PR06 PB-K26-09-de-01
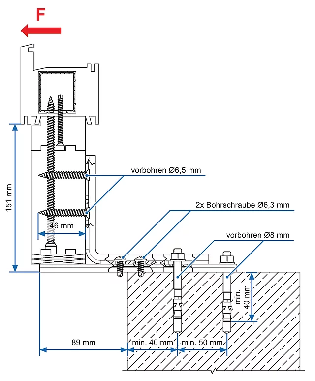
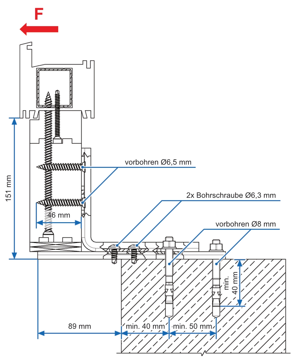
4.5. VBW - Anschlussprofil - Kunststoff mit Stahlarmierung
Fenstersystem
Kunststoff mit Stahlarmierung
Anschlussprofil
Kunststoff mit Stahlarmierung
Geprüfter Baukörper
Beton
Befestigungssystem
VBW - Verbindungswinkel
Prüfbericht
18-003796-PR05 PB-K26-09-de-02*
Verbindung
2x Fenstermontageschraube Ø7,5 mm
in das Fensteranschlussprofil
2x Schwerlastdübel Ø8x71 mm
4.6. VBW bei Holzlaibung - Anschlussprofil - Kunststoff mit Stahlarmierung
Fenstersystem
Kunststoff mit Stahlarmierung
Anschlussprofil
Kunststoff mit Stahlarmierung
Geprüfter Baukörper
Holzlaibung (Fichtenholz)
Befestigungssystem
VBW - Verbindungswinkel
Prüfbericht
18-000732-PR02 PB-K26-09-de-01
Verbindung
2x Fenstermontageschraube Ø7,5 mm
in das Fensteranschlussprofil
2x Fenstermontageschraube Ø7,5 mm
in die Holzlaibung
4.7. BAP-SLK - Anschlussprofil - Kunststoff mit Stahlarmierung
Fenstersystem
Kunststoff mit Stahlarmierung
Anschlussprofil
Kunststoff mit Stahlarmierung
Geprüfter Baukörper
Beton
Befestigungssystem
BAP-SLK
Prüfbericht
18-003796-PR05 PB-K26-09-de-02
Verbindung
2x Fenstermontageschraube Ø7,5 mm
in das Fensteranschlussprofil
2x Bohrschraube Ø6,3x16 mm
2x Schwerlastdübel Ø8x71 mm
4.8. BAP-SLK - Anschlussprofil - PVC-Schaumkern
Prüfbericht
18-003796-PR05 PB-K26-09-de-02
Verbindung zum Anschlussprofil
2x Fenstermontageschraube Ø7,5 mm
in die Stahlarmierungen
2x Bohrschraube Ø6,3x16 mm
2x Schwerlastdübel Ø8x71 mm




















