3. Ankerbefestigung zum Rahmenprofil / Bauteil
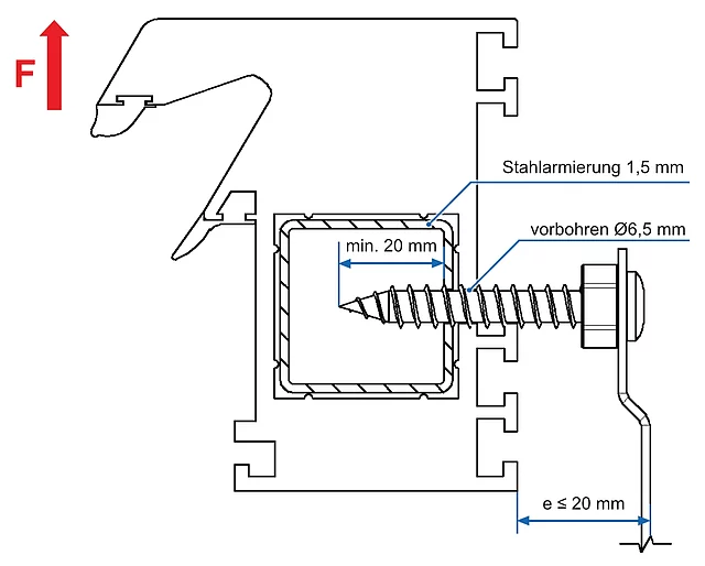
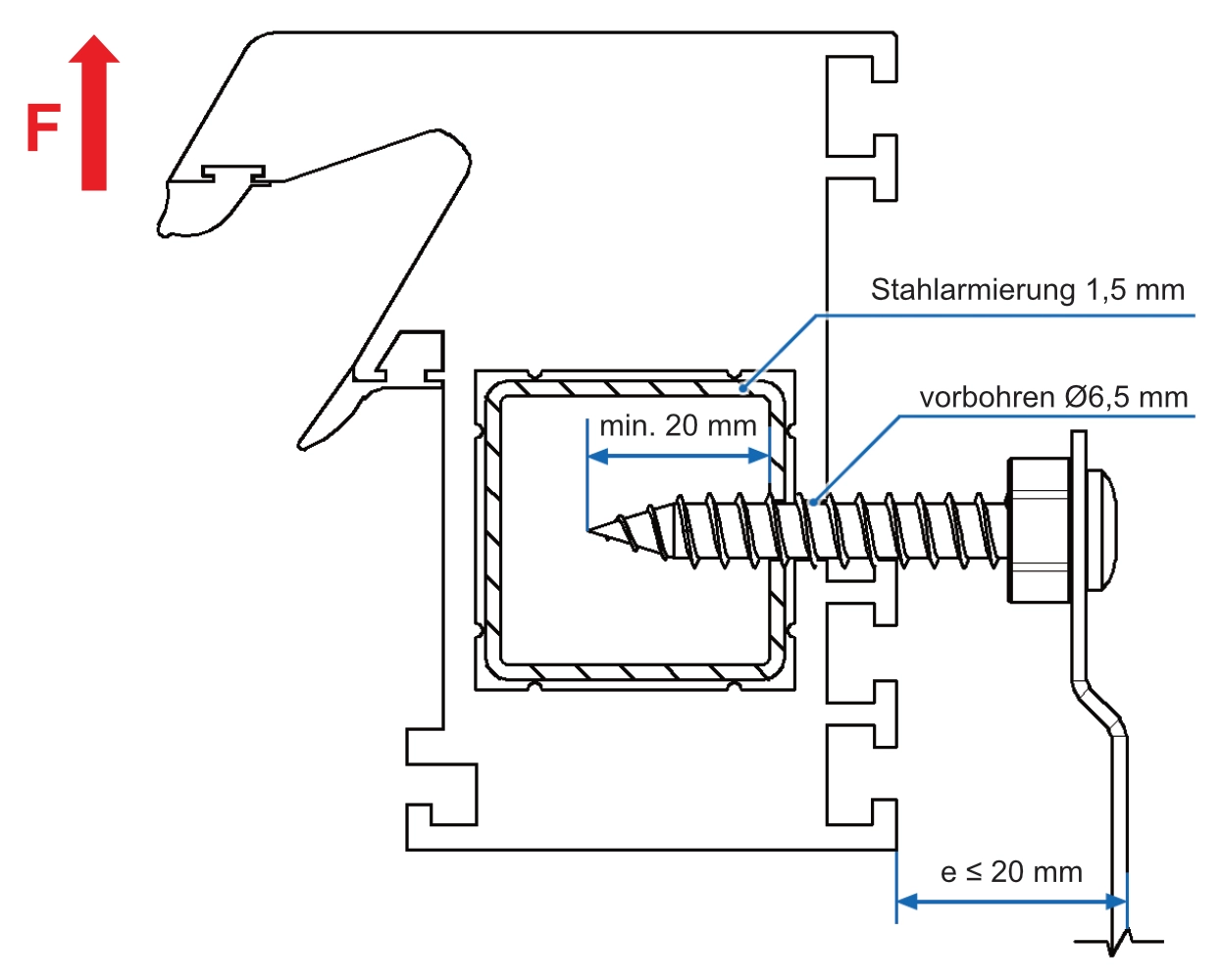
3.1. 11,5er Fenstermontageschraube - Kunststofffenster mit Stahlarmierung - seitlich, oben
Geprüftes Mauerwerk
Kalksandstein
KS-R P 20-2,0 5-DF 150
Abmessung: 248x150x248 mm
Druckfestigkeitsklasse: 20
Fenstersystem
Kunststoff mit Stahlarmierung
Befestigungssystem
1x Fenstermontageschraube Ø11,5x152 mm
Verbindung
1x Fenstermontageschraube Ø11,5 mm durch die Stahlarmierung
Prüfbericht ift Rosenheim
24-001342-PR01 NW 02-K26-09-de-02
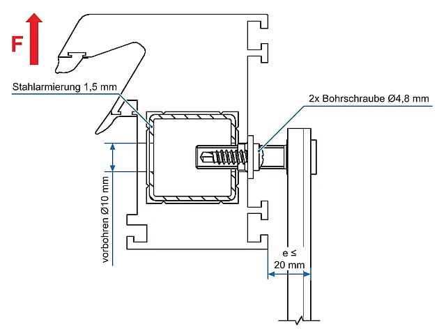
3.2. EL-Anker - Kunststofffenster mit Stahlarmierung - seitlich, oben
Fenstersystem
Kunststoff mit Stahlarmierung
Befestigungssystem
EL-Anker - Flachstahl
EL-Anker - U-Profil
Verbindung
1x Fenstermontageschraube Ø7,5 mm
durch die Stahlarmierung
Prüfbericht ift Rosenheim
21-004805-PR01 NW 02-K26-09-de-01
23-001006-PR03 NW-K26-09-de-01
3.3. EL-Anker - Kunststofffenster mit Schraubkanal - seitlich, oben
Fenstersystem
Kunststoff ohne Stahl mit Schraubkanal
Befestigungssystem
EL-Anker - Flachstahl
EL-Anker - U-Profil
Verbindung
1x Fenstermontageschraube Ø7,5 mm
durch den Schraubkanal
Prüfbericht ift Rosenheim
21-001960-PR02 NW 01-K26-09-de-02
3.4. EL-Anker - Kunststofffenster mit PET-Kern - seitlich, oben
Fenstersystem
Kunststoff mit PET-Kern
Befestigungssystem
EL-Anker - Flachstahl
EL-Anker - U-Profil
Verbindung
1x Fenstermontageschraube Ø7,5 mm
durch den PET-Kern
Prüfbericht ift Rosenheim
21-004805-PR01 NW 02-K26-09-de-01
3.5. EL-Anker - Kunststofffenster mit Verbreiterungsprofil - seitlich, oben
Fenstersystem
Kunststoff mit Stahlarmierung,
Verbreiterungsprofil ohne Stahlarmierung
Befestigungssystem
EL-Anker - Flachstahl
EL-Anker - U-Profil
Verbindung
1x Fenstermontageschraube Ø7,5 mm
durch die Stahlarmierung
Prüfbericht ift Rosenheim
23-001006-PR03 NW-K26-09-de-01
3.6. EL-Anker - Aluminiumfenster - seitlich, oben
Fenstersystem
Alu-Fenster
Befestigungssystem
EL-Anker - Flachstahl
EL-Anker - U-Profil
Verbindung
1x Fenstermontageschraube Ø7,5 mm
durch das Alu-Profil
Prüfbericht ift Rosenheim
21-001960-PR02 NW 02-K26-09-de-02
21-004805-PR01 NW 02-K26-09-de-01*
3.7. FMS-Anker - Kunststofffenster mit Stahlarmierung - seitlich, oben
Fenstersystem
Kunststoff mit Stahlarmierung
Befestigungssystem
FMS-Anker - Flachstahl
FMS-Anker - U-Profil
Verbindung
FMS-Anker-Schraube in eine Wandung der Stahlarmierung
Prüfbericht ift Rosenheim
21-001960-PR02 NW 03-K26-09-de-01*
3.8. FMS-Anker - Kunststofffenster mit Schraubkanal - seitlich, oben
Fenstersystem
Kunststoff ohne Stahl mit Schraubkanal
Befestigungssystem
FMS-Anker - Flachstahl
FMS-Anker - U-Profil
Prüfbericht ift Rosenheim
21-001960-PR02 NW 03-K26-09-de-01
3.9. FMS-Anker - Kunststofffenster mit Verbreiterungsprofil - seitlich, oben
Fenstersystem
Kunststoff mit Stahlarmierung,
Verbreiterungsprofil ohne Stahlarmierung
Befestigungssystem
FMS-Anker - Flachstahl
FMS-Anker - U-Profil
Verbindung
FMS-Anker-Schraube in eine Wandung der Stahlarmierung
Prüfbericht ift Rosenheim
23-001006-PR04 NW-K26-09-de-01
3.10. FMS-Anker - Holzfenster - seitlich, oben
Fenstersystem
Holzfenster (Fichtenholz)
Befestigungssystem
FMS-Anker - U-Profil
FMS-Anker - Flachstahl
Prüfbericht ift Rosenheim
19-002405-PR02 NW-K26-09-de-01
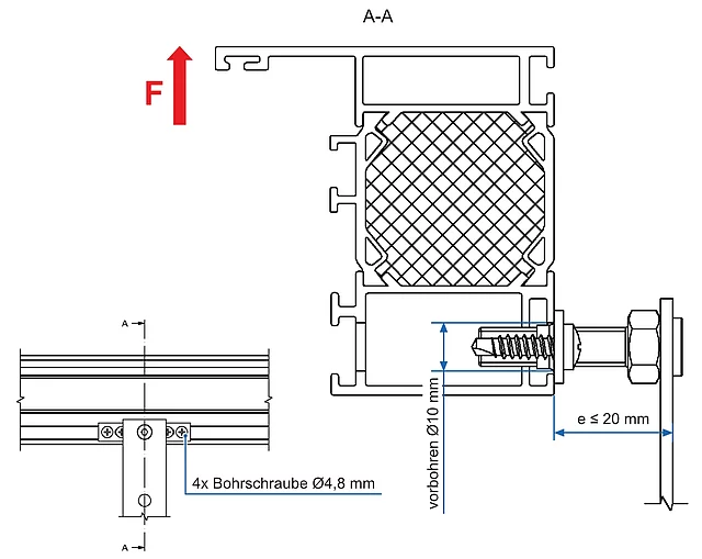
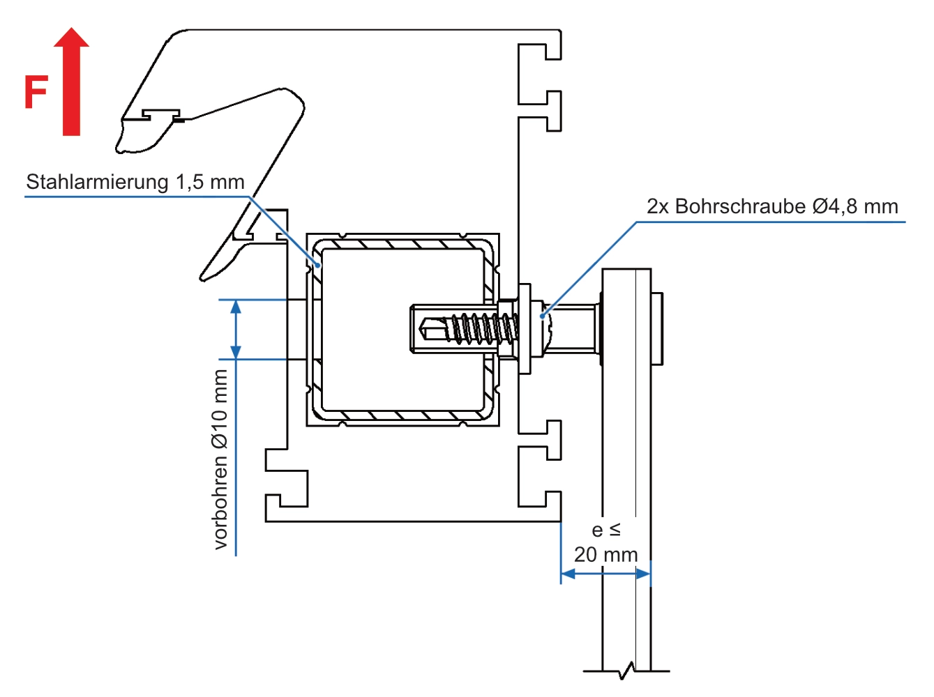
3.11. SFK-Anker - Kunststofffenster mit Stahlarmierung - seitlich, oben
Fenstersystem
Kunststoff mit Stahlarmierung
Befestigungssystem
SFK - Anker – U-Profil
SFK-Anker - Flachstahl
Verbindung
2x Bohrschraube Ø4,8 mm in eine Wandung
der Stahlarmierung
Prüfbericht ift Rosenheim
18-003796-PR08 PB-K26-09-de-01
3.12. SFK-Anker - Aluminiumfenster
Fenstersystem
Heroal W72
Befestigungssystem
SFK-Anker - Flachstahl
SFK-Anker - U Profil
Verbindung
4x Bohrschraube Ø4,8 mm in eine Wandung
im Aluprofil
Prüfbericht ift Rosenheim
18-003796-PR08 PB-K26-09-de-01
21-004805-PR02 NW 01-K25-09-de-01*
3.13. Verbreiterungsstabilisator - Kunststofffenster mit Verbreiterungsprofilen - seitlich, oben
Fenstersystem
Kunststoff mit Stahlarmierung,
Verbreiterungen ohne Stahlarmierung
Befestigungssystem
Verbreiterungsstabilisator
Verbindung
2x Fenstermontageschraube Ø7,5x252 mm
durch die Verbreiterungsprofile in den
Fensterrahmen
1x Fenstermontageschraube Ø7,5x112 mm
durch den Fensterrahmen in den
Verbreiterungsstabilisator
Prüfbericht ift Rosenheim
21-004805-PR01 NW 01-K26-09-de-01
3.14. FMW-U-Profil - Kunststofffenster mit Stahlarmierung - seitlich, oben
Fenstersystem
Kunststoff mit Stahlarmierung
Befestigungssystem
FMW-U-Profil, Materialstärke 3,0 mm
Verbindung
2x Bohrschraube Ø4,8 mm in eine
Wandung der Stahlarmierung
1x Bohrschraube Ø6,3 mm in eine
Wandung der Stahlarmierung
1x Bohrschraube Ø4,8 mm in das
Kunststoffprofil
Prüfbericht ift Rosenheim
17-000719-PR02 PB-K26-09-de-01
3.15. FMW-U-Profil - Kunststofffenster mit Verbreiterungsprofil - seitlich, oben, unten
Fenstersystem
Kunststoff mit Stahlarmierung,
Verbreiterungsprofil ohne Stahlarmierung
Befestigungssystem
FMW-U-Profil, Materialstärke 3,0 mm
Verbindung
4x Bohrschraube Ø4,8 mm in eine
Wandung der Stahlarmierung
Prüfbericht ift Rosenheim
18-000732-PR01 PB-K26-09-de-01
3.16. FMW-U-Profil - Aluminiumfenster - seitlich, oben
Fenstersystem
Heroal W72
Befestigungssystem
FMW-U-Profil ab 3,0 mm Materialstärke
Verbindung
2x Bohrschraube Ø4,8 mm durch eine
Wandung im Aluprofil
1x Bohrschraube Ø6,3 mm durch eine
Wandung im Aluprofil
Prüfbericht ift Rosenheim
21-004805-PR02 NW 01-K25-09-de-01
3.17. FMW-U-Profil - Holzfenster - seitlich, oben
Fenstersystem
Holz (Fichtenholz)
Befestigungssystem
FMW - U-Profil
Verbindung
2x Fenstermontageschraube Ø7,5 mm
Prüfbericht ift Rosenheim
18-000732-PR02 PB-K26-09-de-01
3.18. FMW-EL - Alufenster mit Kunststoffkern - seitlich, oben
Fenstersystem
Finstral FIN-Project Nova-line F1Y
Befestigungssystem
FMW - EL
Verbindung
1x Fenstermontageschraube Ø7,5 mm
Prüfbericht ift Rosenheim
24-001342-PR01 NW 03-K26-09-de-02
3.19 FMW-EL - Kunststofffenster mit PET-Kern - seitlich, oben
Fenstersystem
Kunststoff mit PET-Kern
Befestigungssystem
FMW-EL
Verbindung
1x Fenstermontageschraube Ø7,5 mm
durch den PET-Kern
Prüfnachweis ift Rosenheim
21-004805-PR01 NW 02-K26-09-de-01
24-001342-PR01 NW 03-K26-09-de-02





































